Piping Isometric Drawing
A piping isometric drawing is a type of technical drawing that shows a three-dimensional view of a piping system. Isometric drawings are typically used to show the details of a piping system, such as the size and type of piping, the direction of flow of the fluids, and the location of valves, pumps, and other equipment nozzles.
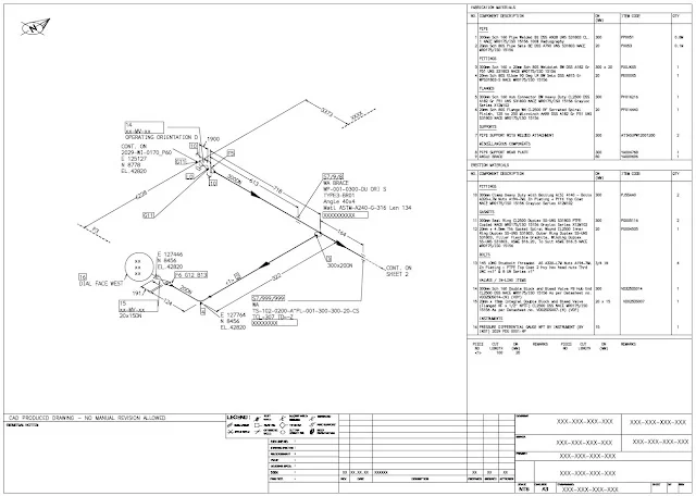
Piping isometric drawing is a representation of 3D view of piping layout of the plant. These piping isometric drawings are automatically produced from the 3D software’s and some times these piping isometric drawing are develop from manually in auto cad with the help of piping general arrangements drawings. Piping isometric drawing shall include pipes, pipe fitting, valves, instruments, piping specialties, flanges and other accessories as indicted in P&ID. Support location & type shall be marked as suggested by stress department. A statement-indicating bill of materials shall also be drawn on the same drawing.
Software used for creating piping isometric drawing
Piping isometric drawing is created in a variety of software programs, including E3D, SP3D, Autopipe, and AutoCAD.
Aviva E3D/PDMS: This is a software program that is used to create three-dimensional models of piping systems. E3D is a popular choice for piping engineers because it allows them to create accurate and realistic models.
SP3D: This is another software program that is used to create three-dimensional models of piping systems. SP3D is a more powerful than E3D, but it is also more complex to use.
Autopipe: This is a software program that is used to create two-dimensional drawings of piping systems. Autopipe is a popular choice for piping engineers because it is easy to use and produces high-quality drawings.
AutoCAD: This is a general-purpose CAD software program that can be used to create two-dimensional and
three-dimensional drawings. AutoCAD is a popular choice for piping engineers because it is widely used and has a large library of piping symbols.
key components of a piping isometric drawing
Bill of material of piping isometric drawing:- A piping isometric drawing bill of material (BOM) is a document that lists all the materials and components required to construct a piping system, as shown on an isometric drawing. The below example of BOM of piping isometric drawing
- Material description: The name of the material, such as pipe, fitting, valve, or flange.
- Material size: The dimensions of the material, such as the diameter and wall thickness of the pipe.
- Material quantity: The number of units of the material required.
- Material reference: The identifier for the material, such as a catalog number or part number.
- Material specification: The standard or code that the material must meet.
Pipes: The pipes in a piping system are typically represented by lines. The size and type of the pipe is typically indicated by the line thickness and the type of line. For example, a solid line might represent a steel pipe, while a dashed line might represent a plastic pipe. The diameter of the pipe is typically indicated by a dimension next to the line.
Fittings: Fittings are components that are used to connect pipes together. They are typically represented by symbols. There are many different types of fittings, each with its own symbol. Some common fittings include tees, elbows, and couplings.
Pipe fitting symbol
Valves: Valves are devices that are used to control the flow of fluids in a pipe. They are typically represented by symbols. There are many different types of valves, each with its own symbol. Some common valves include ball valves, gate valves, and globe valves.
These are below all piping valves symbol used in piping isometric drawing and piping layout drawing
Nozzles: Nozzles are the openings in a pipe that are used to connect it to other pipes or equipment. They are typically represented by symbols. The size and type of the nozzle is typically indicated by the symbol.
Labels: Labels are used to identify the different components of a piping system. They typically include the name of the component, the size of the component, and the material of the component. The labels are typically placed next to the component that they are identifying.
Notes: Notes are used to provide additional information about the piping system. They are typically placed in a free-form text box.
Legend: The legend is a table that provides a key to the symbols used in the piping isometric. It is typically placed in a corner of the drawing.
Standards used for creating piping isometric drawing
ANSI/ASME Y14.2M-1994: This standard provides the general requirements for piping drawings.
ANSI/ASME Y14.3M-1994: This standard provides the requirements for piping symbols.
ANSI/ASME B31.3-2019: This standard provides the requirements for piping systems for chemical and petroleum plants.
Piping isometrics are used in a variety of industries, including oil and gas, chemical, and manufacturing. They are a valuable tool for communicating the design of a piping system to other engineers, contractors, and operators. Piping isometrics can also be used to troubleshoot problems with piping systems
Piping isometrics are detailed engineering drawings used in the construction of piping systems. They provide a clear and detailed representation of the piping system and are created to scale, showing the precise location, size, and shape of each component, as well as the orientation of the piping.
Generally one isometric drawing is produced for one line. Piping isometric contain the bill of material list, which shows the no of mtrs pipe, quantity of flange, elbow, valve, gasket, nuts and bolt, erection materials and fabrications materials.
Fabrication materials is that materials which are going weld or assemble ( thread fitting ) in the yard fabrication shop.
Erection materials is that materials which are going to used in the site for assembly of pipe spools like gaskets, bolts etc.
Piping isometric drawings are often used to help fabricate piping spools, which are pre-fabricated sections of piping that can be assembled on-site. Piping isometrics are also used to help identify potential issues or conflicts in the piping system design before construction begins, helping to ensure that the final piping system is efficient and functional.
A piping isometric drawing includes information about the type of pipe, the diameter and thickness of the pipe, the location of valves, fittings, and other components, and the direction of flow. The drawing also includes annotations and dimensions, such as the distance between components and the angle of bends.
Purpose of the Piping isometric drawing
This piping isometric drawing bill of material is used for withdrawal of materials required for fabrication from stores and pre fabrication of piping spools in the fabrication shop. Equipment layout are also very important for drawing while drawing piping isometrics drawing.








Hi
Hi piping